
防護等級
IP54
旋轉力矩
<5mN·m
最大轉速
<1500rpm
預期壽命
50,000,000
質量
約20g
外殼
鋁合金,表面陽極氧化
軸
不銹鋼
工作溫度
-30℃~+125℃
儲存溫度
-30℃~+125℃
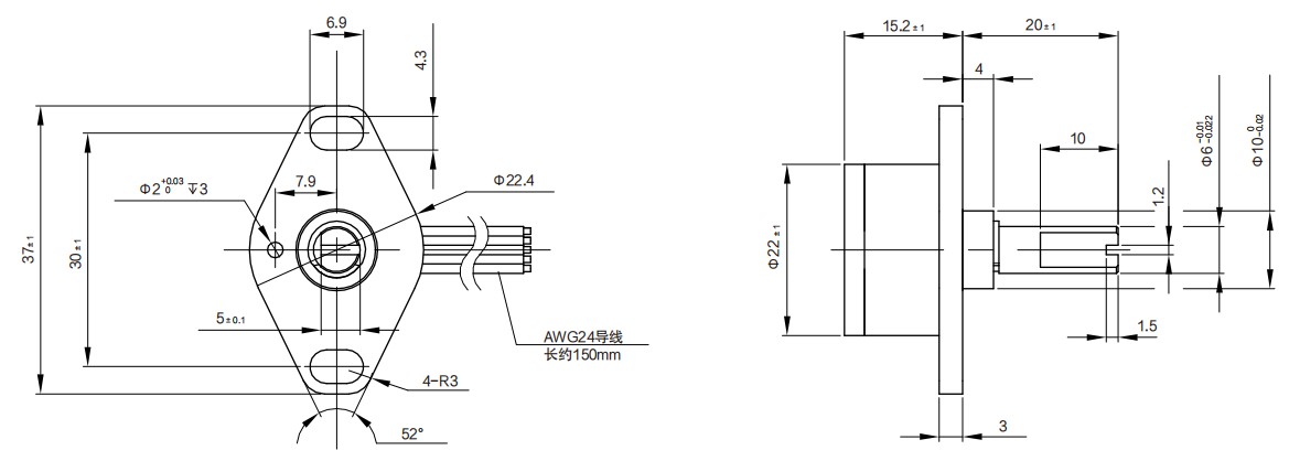
標準型號
EI22A-F1
工作電壓
3.3V-5V
輸出高電平
>VDD-0.5V
輸出低電平
<0.5V
輸出形式
推挽輸出
輸出脈沖數
最大4096 ppr
機械轉角
360° (Endless)
信號延時
<10μs
工作電流(無負載)
<28mA
絕緣電阻
> 1000MΩ (500V.D.C)
介質耐壓
1 min (500V.A.C)
EMS
10V/m (80MHz~1GHz, 1KHz 正弦波80%調幅)
ESD
接觸放電±8KV,空氣放電±15KV(根據IEC 61000-4-2 標準)
特殊軸型
可根據客戶要求定做特殊軸長、特殊軸徑或軸上特殊加工(銑平面、開槽、端部打孔、側面打孔等)。
留言